Ласерскиот модул со висока моќност 1653,7 nm користи рамна конструкција со чип на подносач. Високото енергетскиот чип е херметички затворен во пакет со пеперутка без епоксидна и флуксна 14 пина и е опремен со термистор, термоелектричен ладилник и монитор диода за обезбедување висококвалитетни ласерски перформанси. 1653nm 40mW BTF ласерски диоди за откривање на метан гас се квалификувани за Telcordia GR-468 и во согласност со RoHS директивите.
Ласерскиот модул со висока моќност 1653,7 nm користи рамна конструкција со чип на подносач. Чипот со висока моќност е херметички затворен во пакет со пеперутка без епоксидна и флукс, 14 пински и е опремен со термистор, термоелектричен ладилник и монитор диода за да се обезбеди висококвалитетна ласерска изведба. Нашите ласерски производи се квалификувани за Telcordia GR-468 и се во согласност со RoHS директивите.
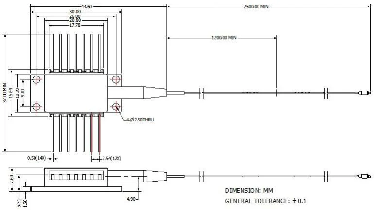
● Индустриски стандард 14-пински пакет пеперутка;
● Вграден ТЕЦ и оптички изолатор;
● Ласер со дистрибуирани повратни информации (DFB) со високи перформанси, мултиквантни бунари (MQW).
● Тестирање на производство на пасивни компоненти за детекција на гас;
● Систем за откривање на гасови со влакна;
● Ласерски извори.
| Параметар | Симбол | Состојба | мин. | Тип. | Макс. | Единица |
| Централна бранова должина | лц | Tl = 15 ~ 35 ℃ qu | 1652.7 | 1653.7 | 1654.7 | nm |
| Оптичка излезна моќност | По | CW | - | 40 | - | mW |
| LD Праг струја | ITH | CW | - | 15 | 40 | mA |
| LD Напредна струја | Ако | Pf = Номинална моќност | - | 300 | 400 | mA |
| Оптичка изолација | - | -10 < TC < +70℃ | 30 | - | - | dB |
| Сооднос на потиснување на страничен режим | SMSR | CW | 35 | 40 | - | dB |
| Следете ја одговорноста | Вакцинација | - | - | 1 | 20 | беше / mw |
| Следете ја стабилноста на одговорност | - | - | - | - | 20% | - |
| Следете ја темната струја | Ид | VPD = 5V | - | - | 50 | nA |
| Тековна TEC | ITEC | Случај =75℃ | - | - | 2 | A |
| ТЕЦ Напон | VTEC | Случај =75℃ | - | - | 3.5 | V |
| TEC потрошувачка на енергија | P | Tstg = 25℃ | - | - | 5 | W |
| Отпорност на термистор | Rth | Случај =75℃ | 9.5 | 10 | 10.5 | Ком |
| Константа на термистор Б | Бти | Tstg = 25℃ | - | 3900 | - | K |
| Поместување на бранова должина (EOL) | △λ | Тестиран во текот на 25 години животен век | - | - | ±0,1 | nm |
| Бран. Температурен коефициент | Dl/Dt | Температурата на TEC на 15℃ до 35℃ | - | 0.09 | - | nm/℃ |
| Бранова должина Коефициент на струја | Dl/DI | - | - | 0.01 | - | NM / во |

Сите производи се тестирани пред испорака надвор;
Сите производи имаат гаранција од 1 година. (Откако периодот на гаранција за квалитет почна да се наплаќа соодветна такса за сервисирање.)
Го цениме вашиот бизнис и нудиме инстантна политика за враќање од 7 дена. (7 дена по приемот на артиклите);
Ако артиклите што ги купувате од нашата продавница не се со совршен квалитет, односно не работат електронски според спецификациите на производителот, едноставно вратете ни ги за замена или рефундирање;
Ако предметите се неисправни, ве молиме известете не во рок од 3 дена од испораката;
Сите предмети мора да се вратат во нивната првобитна состојба за да се квалификуваат за враќање или замена;
Купувачот е одговорен за сите направени трошоци за испорака.
П: Која е точноста на брановата должина?
О: +/-0,5 nm.
П: Дали имате други верзии на излезната моќност?
О: 10mW, 15mW, 50mW.
C-бенд Интегриран ласерски склоп со тесна ширина на подесување ITLA
1550nm 40mW 200Khz DFB пеперутка ласерска диода со тесна ширина
1550nm 40mW 600Khz DFB Butterfly пакет Ласерска диода со тесна ширина
1550nm 50mW 100Khz DFB пеперутка ласерска диода со тесна ширина
1550nm 2mW 5mW Коаксијална ласерска диода со тесна ширина на линија
1550nm 100mW 100kHz тесен линиски промет DFB ласерски диоди BTF со влакна SM/PMCopyright @ 2020 Shenzhen Box Optronics Technology Co., Ltd. - Кина модули за оптички влакна, производители на ласери споени со влакна, добавувачи на ласерски компоненти Сите права се задржани.