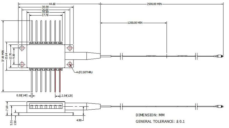
1653nm 40mW DFB ласерска диода за сензор за метан CH4 Sensing користи рамна конструкција со чип на подносач. Чипот со висока моќност е херметички затворен во пакет со пеперутка без епоксидна и флукс, 14 пински и е опремен со термистор, термоелектричен ладилник и монитор диода за да се обезбеди висококвалитетна ласерска изведба. Нашите ласерски производи се квалификувани за Telcordia GR-468 и се во согласност со RoHS директивите.
1653nm 40mW DFB ласерска диода за сензор за метан CH4 Sensing користи рамна конструкција со чип на подносач. Чипот со висока моќност е херметички затворен во пакет со пеперутка без епоксидна и флукс, 14 пински и е опремен со термистор, термоелектричен ладилник и монитор диода за да се обезбеди висококвалитетна ласерска изведба. Нашите ласерски производи се квалификувани за Telcordia GR-468 и се во согласност со RoHS директивите.
Индустриски стандард 14-пински пакет пеперутка;
Вграден TEC и оптички изолатор;
Ласер со дистрибуирани повратни информации (DFB) со високи перформанси, мултиквантни бунари (MQW).
Тестирање на производство на пасивни компоненти за откривање гас;
Систем за откривање на гасови со влакна;
Ласерски извори.
| Параметар | Симбол | Состојба | мин. | Тип. | Макс. | Единица |
| Централна бранова должина | λc | TL=15~35℃ CW | 1652.7 | 1653.7 | 1654.7 | nm |
| Оптичка излезна моќност | По | CW | - | 40 | - | mW |
| LD Праг струја | ITH | CW | - | 15 | 40 | mA |
| LD Напредна струја | Ако | Pf = Номинална моќност | - | 300 | 400 | mA |
| Оптичка изолација | - | -10 < TC < +70℃ | 30 | - | - | dB |
| Сооднос на потиснување на страничен режим | SMSR | CW | 35 | 40 | - | dB |
| Следете ја одговорноста | Im /Pf | - | - | 1 | 20 | uA/mW |
| Следете ја стабилноста на одговорност | - | - | - | - | 20% | - |
| Следете ја темната струја | Ид | VPD = 5V | - | - | 50 | nA |
| Тековна TEC | ITEC | Случај =75℃ | - | - | 2 | A |
| ТЕЦ Напон | VTEC | Случај =75℃ | - | - | 3.5 | V |
| TEC потрошувачка на енергија | P | Tstg = 25℃ | - | - | 5 | W |
| Отпорност на термистор | Rth | Случај =75℃ | 9.5 | 10 | 10.5 | Ком |
| Константа на термистор Б | Бти | Tstg = 25℃ | - | 3900 | - | K |
| Поместување на бранова должина (EOL) | △λ | Тестиран во текот на 25 години животен век | - | - | ±0,1 | nm |
| Бран. Температурен коефициент | Δλ/ΔT | Температурата на TEC на 15℃ до 35℃ | - | 0.09 | - | nm/℃ |
| Бранова должина Коефициент на струја | Δλ/ΔΙ | - | - | 0.01 | - | nm/mA |

Сите производи се тестирани пред испорака надвор;
Сите производи имаат гаранција од 1-3 години. (Откако периодот на гаранција за квалитет почна да се наплаќа соодветна такса за сервисирање.)
Го цениме вашиот бизнис и нудиме инстантна политика за враќање од 7 дена. (7 дена по приемот на артиклите);
Ако артиклите што ги купувате од нашата продавница не се со совршен квалитет, односно не работат електронски според спецификациите на производителот, едноставно вратете ни ги за замена или рефундирање;
Ако предметите се неисправни, ве молиме известете не во рок од 3 дена од испораката;
Сите предмети мора да се вратат во нивната првобитна состојба за да се квалификуваат за враќање или замена;
Купувачот е одговорен за сите направени трошоци за испорака.
П: Која е точноста на брановата должина?
О: +/-0,5 nm.
П: Дали имате други верзии на излезната моќност?
О: 10mW, 15mW, 50mW.
1512nm 10mW DFB 14PIN ласер за пеперутка за NH3 сензор
1392nm DFB пеперутка ласерска диода за чувствителност на влага H2O
1653nm DFB пеперутка ласерска диода за откривање CH4
1567nm DFB пеперутка ласерска диода за сензор на CO
1578nm 10mW DFB ласерска диода за детекција на водород сулфид
1580nm DFB пеперутка ласерска диода за откривање на CO2Авторски права @ 2020 Shenzhen Box Optronics Technology Co., Ltd. - Кина модули за оптички влакна, производители на ласери поврзани со влакна, добавувачи на ласерски компоненти Сите права се задржани.